當前位置: 滾珠絲桿網 ? 2005滾珠絲杠 ? DFVR2005滾珠絲桿
DFVR2005滾珠絲桿

雷研精密傳動設備有限公司供應DFV2005滾珠絲桿【貨源充足、價格合理、原裝正品、品牌齊全】滿足客戶的需求。請需要DFV2005滾珠絲杠的朋友聯系:黃志杰(經理)? 聯系電話:15802034588。
DFV2005滾珠絲杠參數
型號:DFV2005
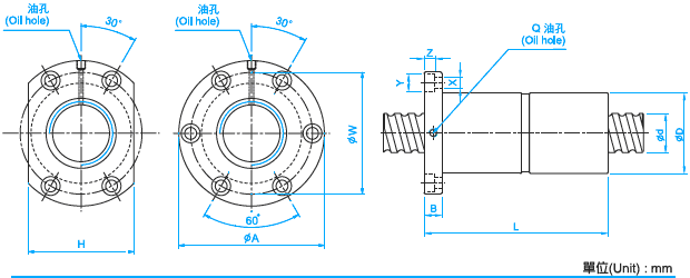
絲桿外徑:20
導程:5
珠徑:3.175
螺母外徑:44
法蘭直徑:67
法蘭的厚度:11
螺母的長度:112
安裝孔之間的距離:55
法蘭的寬度:52
珠圈數:4.8×1
動額定負荷:1814
靜額定負荷:4650
剛性:63。
DFV圖紙下載:DFV2005滾珠絲桿圖紙PDF
【DFV2005滾珠絲桿潤滑注意事項】
(1)請仔細擦拭防銳油并封入潤滑劑后再使用。
(2)請不要混合使用性狀不同的潤滑劑。
(3)在經常產生振動的場所、無塵室、真空、低溫或高溫等特殊環境下使用時,有可能無法使用通常的潤滑劑。詳細情況請與我們聯系。
(4)若使用特殊的潤滑,則可能給產品帶來障礙,因此請咨詢我們
(5)潤滑間隔因使用條件的不同而異,詳細情況請與我們聯系。

使用潤滑脂潤滑
也可以使用潤滑脂來潤滑滾珠絲杠。使用這種方法,每次潤滑間隔的時間可以更長一些。
鑒于會有少量潤滑脂從螺母溢出,并在滾珠絲杠的每個行程過長中停留在軸上(即使是擋油環發揮了最大功能),所以在操作過程中,可用的潤滑脂數量會逐漸減少。這限制了在不重新進行潤滑情況下滾珠絲杠的操作時間。只有在通過集中潤滑系統補充了損失的潤滑脂,或者根據具體應用需求安排好潤滑計劃的情況下,才能達到預期的使用壽命L10。

瀏覽DFV2005滾珠絲桿的用戶還會?
DFV2004滾珠絲杠、SFU10020滾珠絲桿等!
滾珠絲杠討論①群263545937(專家在線為你解答)歡迎你的加入!
版權所有 © 轉載時必須以鏈接形式注明作者和原始出處!


